Cable Harness Automobile Telephone for 1999 Mercedes-Benz E430
No.
Part # / Description / Price
Price
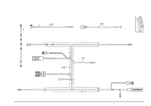
5
100
100
Wiring Harness
Mercedes-Benz
Mercedes-Benz Notes: NO LONGER AVAILABLE
Description: Car telephone, d-network, handy.
150
160
Electric Line
Mercedes-Benz
Mercedes-Benz Notes: NO LONGER AVAILABLE
Description: Dc separation. Suppressor adapter cable with capacitor to rf compensator. Car phone, mobile version. Interference suppressor adapter line for dual band compensator. Interference suppression adapter line with capacitor to 203 820 39 26.
200
Wiring Harness
Mercedes-Benz
Mercedes-Benz Notes: NO LONGER AVAILABLE
Description: Fixed installation nokia d-net telefon.
210
Receptacle Housing
Mercedes-Benz
Mercedes-Benz Description: Left/right entrance/ex it lamp. 2 pin jpt. Luggage compartment lamp. 2 pin jpt. Glove compartment lamp. 2 pin jpt. Glove box lamp E13/1. 2 PIN JPT. Driver and front passenger footwell lamp e17/15, e17/16. 2 pin jpt. Left exit lights. 2 pin jpt. Courtesy lamp. 2 pin jpt. Interface. 2 pin jpt. Glove compartment lighting e13/2. 2 pin jpt. Vanity mirror illumination e14/6 e14/7. 2 pin jpt.
$3.40
$3.40
225
Electric Line
Mercedes-Benz
Mercedes-Benz Notes: CONNECTORS MUST ALSO BE ORDERED IN ACC. WITH THE TOTAL CABLE C ROSS-SECTION TO BE CONNECTED.
SEE WIS FOR REPAIR INSTRUCTIONS.
=================================================================================================
SOLDER CONNECTOR SLEEVES: TOTAL WIRE CROSS-SECTION:
A 001 546 99 41 GREEN 0.7 - 2.4 MM2
A 002 546 00 41 RED 2.0 - 4.0 MM2
A 002 546 01 41 BLUE 3.5 - 8.0 MM2
A 002 546 11 41 YELLOW 7.5 - 12.0 MM2
BUTT JOINT:
A 002 546 13 41 0.5 MM2
A 002 546 14 41 0.8 MM2
A 002 546 15 41 1.3 MM2
A 002 546 16 41 2.0 MM2
===================================================================================================
$7.00
$7.00
225
Contact Socket
Mercedes-Benz
Mercedes-Benz Description: 0.75mm2. 0.75 MM2
Leitungsquerschnitt Min/Max: 0,5-0,75mm2
Oberflächenschutz PINs: Sn
ELA: -
Model 1: MQS.
Leitungsquerschnitt Min/Max: 0,5-0,75mm2
Oberflächenschutz PINs: Sn
ELA: -
Model 1: MQS.
$5.25
$5.25
235
Plug
Mercedes-Benz
Mercedes-Benz Description: Malfunction indicator lamp aut. Child seat recognition e16. 3-pin mqs. Belt reeling device code: d. 3-pin mqs. Crash active head restraint n139. 3-pin mqs. Crash signal. 3-pin mqs. Plug connector digital crash input. 3-pin mqs. Center console connector x29/6. 3-pin mqs. Door separation point,a-pillar, left x35/1. 3-pin mqs.
$3.70
$3.70
240
Crimp Tml Pin Contact
Mercedes-Benz
Mercedes-Benz Description: X1/16. 0.5-0.75 MM2 MQSLeitungsquerschnitt Min/Max: 0,5-0,75mm2Oberflächenschutz PINs: SnELA: -Model 1: MQSRelease tool: W220 589 01 99 60Crimp tool: W220 589 01 99 85. Malfunction indicator lamp aut. Breakdown/information button conn. X 39/48. 0.5-0.75 M ...
$2.80
$2.80
245
Receptacle Housing
Mercedes-Benz
Mercedes-Benz Description: Roof mounted operating unit. 2 pin mcp2.8. Right rear speaker connector x1/1. 2 pin mcp2.8. Battery. 2 pin mcp2.8. Loudspeaker 2 polig. 2 pin mcp2.8. Loudspeaker, driver door, front left and right. 2 pin mcp2.8. Rear-mounted loudspeaker. 2 pin mcp2.8. Plug connection. 2 pin mcp2.8. Front speakers without radio h4/1 / h4/2. 2 pin mcp2.8.
250
Male Spade Connector
Mercedes-Benz
Mercedes-Benz Description: 0.5-1 MM2. 1.0 MM2
Leitungsquerschnitt Min/Max: 0,5-1,0mm2
Oberflächenschutz PINs: Sn
ELA: -
Model 1: MCP
Model 2: 2.8.
Leitungsquerschnitt Min/Max: 0,5-1,0mm2
Oberflächenschutz PINs: Sn
ELA: -
Model 1: MCP
Model 2: 2.8.
260
Electric Line
Mercedes-Benz
Mercedes-Benz Notes: CONNECTORS MUST ALSO BE ORDERED IN ACC. WITH THE TOTAL CABLE C ROSS-SECTION TO BE CONNECTED.
SEE WIS FOR REPAIR INSTRUCTIONS.
=================================================================================================
SOLDER CONNECTOR SLEEVES: TOTAL WIRE CROSS-SECTION:
A 001 546 99 41 GREEN 0.7 - 2.4 MM2
A 002 546 00 41 RED 2.0 - 4.0 MM2
A 002 546 01 41 BLUE 3.5 - 8.0 MM2
A 002 546 11 41 YELLOW 7.5 - 12.0 MM2
BUTT JOINT:
A 002 546 13 41 0.5 MM2
A 002 546 14 41 0.8 MM2
A 002 546 15 41 1.3 MM2
A 002 546 16 41 2.0 MM2
===================================================================================================
Description: FUSE BOX 0.35--1.0 MM2. 1.0 MM2 GSK1
Leitungsquerschnitt Min/Max: 1,0mm2
Oberflächenschutz PINs: -
Model 1: GSK
Model 2: 1.
Leitungsquerschnitt Min/Max: 1,0mm2
Oberflächenschutz PINs: -
Model 1: GSK
Model 2: 1.
$2.70
$2.70
No.
Part # / Description / Price
Price
5
Electric Line
Mercedes-Benz
Mercedes-Benz Description: Car telephone,d-network,handy. Mobile phone pre-installation.
5
Electric Line
Mercedes-Benz
Mercedes-Benz Description: Car telephone,d-network,handy. Mobile phone pre-installation.
17
Contact Socket
Mercedes-Benz
Mercedes-Benz Description: 4 MM. 0.35-2.5 MM2 RK2.5Leitungsquerschnitt Min/Max: 0,35-2,5mm2Oberflächenschutz PINs: AgELA: -Model 1: RKModel 2: 2.5Release tool: W220 589 01 99 30 / W220 589 01 99 53Crimp tool: W220 589 01 99 06. 2,5 (AX). 0.35-2.5 MM2 RK2.5Leitungsquerschnitt Min/Ma ...
$2.90
$2.90
20
$4.50
No.
Part # / Description / Price
Price
205
Receptacle Housing
Mercedes-Benz
Mercedes-Benz Description: Contact strip front pass. Side yel. Automatic child seat recognition. 4-pin mqs
model 1: mqs
slots: 4. Seat contacting. 4-pin mqs
model 1: mqs
slots: 4. Separation point, upfront sensor, driver x18/38. 4-pin mqs
model 1: mqs
slots: 4.
model 1: mqs
slots: 4. Seat contacting. 4-pin mqs
model 1: mqs
slots: 4. Separation point, upfront sensor, driver x18/38. 4-pin mqs
model 1: mqs
slots: 4.
$4.50
$4.50
No.
Part # / Description / Price
Price
20
$4.50



